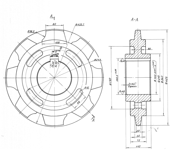
Звездочка Т 91.02.002
Звездочка Т 91.02.002 – предназначается для установки в топках ТЛЗМ, выполняет функции поддержания движения и натяжения колосниковых полотен ленточного типа.
В нашем интернет-магазине вы можете купить Звездочка Т 91.02.002 по выгодной цене. Оформить заказ можно онлайн или по телефонам.
| Цена: | не указана |
Особенности и назначение
Звездочка Т 91.02.002 – деталь сложной конфигурации, с зубьями, отлитая из чугуна. В центре вырезано сквозное отверстие – так она устанавливается на движущемся валу. Зубья вращающейся звездочки попадают в пазы колосниковой решетки, что позволяет преобразовывать крутящий момент в поступательное движение. Таким образом обеспечивается подвижность полотна.
10 лет
на рынке
Описание достоинства
производственная
база
Описание достоинства
ассортимент
товаров
Описание достоинства
на все
товары
Описание достоинства
с выбором?
Звездочка Т 91.02.002 – предназначается для установки в топках ТЛЗМ, выполняет функции поддержания движения и натяжения колосниковых полотен ленточного типа.
Рейка 00.4260.001 – деталь, необходимая для приведения шурующей планки в движение.
Звездочка 23.5769.001 — это металлическое цепное колесо, которое насаживается на вращающийся вал топки ТЛПХ, и приводит в движение колосниковое плотно.
Уплотнение 23.1603.004-001 (L 416) — продолговатая чугунная балка г-образной формы, устанавливается на колосниковую решетку топки ТЛПХ.













