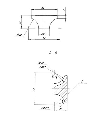
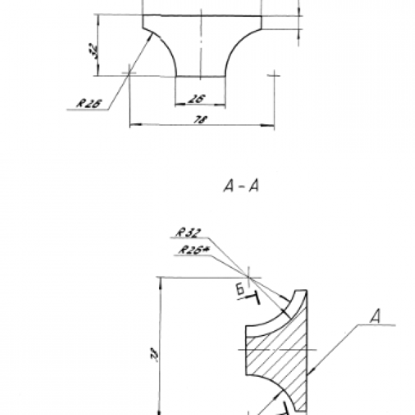
Колосник задний гладкий малый 00.7032.066
Задний малый колосник с гладкой поверхностью – чугунная решетка, которая устанавливается в топке твердотопливного котла и пропускает воздух к месту горения, обеспечивая эффективный расход топлива.
В нашем интернет-магазине вы можете купить Колосник задний гладкий малый 00.7032.066 по выгодной цене. Оформить заказ можно онлайн или по телефонам.
| Цена: | не указана |
Устройство и назначение
Задний малый колосник устанавливается между топочной камерой и зольником для сброса отходов горения, тем самым делит саму топку на две части. Величина колосниковой решетки зависит от объема топливной камеры и количества потребляемого топлива.
Топливо, поступая на колосниковую решетку, сгорает, образуя первый слой, на который далее поступает следующая порция топлива. Все остатки горения в виде золы и шлака сбрасываются в зольник через отверстия решетки либо под действием воздуха, либо за счет движения колосников — это зависит от типа решетки. Отверстия решетки должны составлять около 40% от всей детали.
Преимущества
- Полноценный расход топлива за счет слоевого сжигания;
- Повышает показатель КПД до более чем 90%;
- Жаропрочный чугун гарантирует устойчивость к высоким температурам;
- Простота установки и длительное использование за счет неприхотливой конструкции;
- Способствует экономичному расходу топлива.
Установка
Малый колосник устанавливают на нижнюю часть топливной камеры. От кирпичной основы до самого колосника, необходимо отступить пространство в 5 мм и засыпать песком для скрадывания температуры расширения. Таким образом, кирпичная кладка будет защищена от разрушений. Работы по установки колосника должны производиться квалифицированными специалистами с учетом инструкции при монтаже топки котельного оборудования.
10 лет
на рынке
Описание достоинства
производственная
база
Описание достоинства
ассортимент
товаров
Описание достоинства
на все
товары
Описание достоинства
с выбором?
Задний малый колосник с гладкой поверхностью – чугунная решетка, которая устанавливается в топке твердотопливного котла и пропускает воздух к месту горения, обеспечивая эффективный расход топлива.
Затвор чугунный Ду 150 Ру 16 устанавливается на трубопроводную арматуру в качестве запирающего механизма.
Затвор чугунный Ду 200 Ру 16 устанавливается на трубопроводную арматуру в качестве запирающего механизма.







