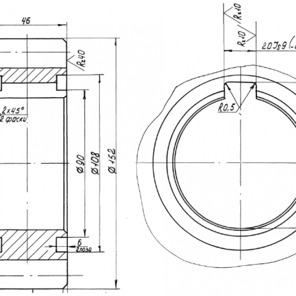
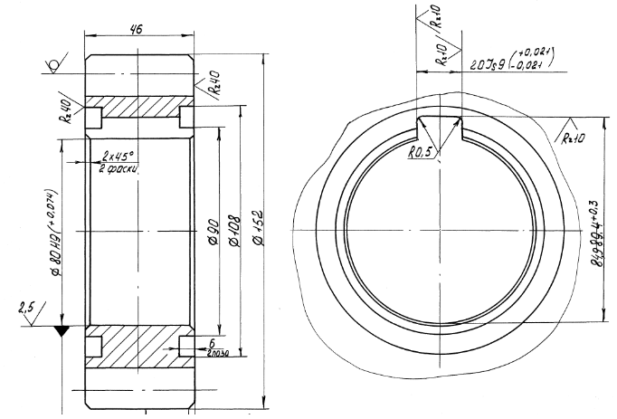
Колесо зубчатое 23.5701.004
Колесо зубчатое 23.5701.004 — это зубчатая передача, металлическая шестеренка с зубьями, которая насаживается на вал и участвует в зацеплении с другим зубчатым колесом.
В нашем интернет-магазине вы можете купить Колесо зубчатое 23.5701.004 по выгодной цене. Оформить заказ можно онлайн или по телефонам.
| Цена: | не указана |
Особенности и назначение
Колесо зубчатое 23.5701.004 – деталь сложной конфигурации, с зубьями, отлитая из чугуна. В центре вырезано сквозное отверстие – так она устанавливается на движущемся валу. Зубья вращающейся звездочки попадают в пазы колосниковой решетки, что позволяет преобразовывать крутящий момент в поступательное движение. Таким образом обеспечивается подвижность полотна.
10 лет
на рынке
Описание достоинства
производственная
база
Описание достоинства
ассортимент
товаров
Описание достоинства
на все
товары
Описание достоинства
с выбором?
Колесо зубчатое 23.5701.004 — это зубчатая передача, металлическая шестеренка с зубьями, которая насаживается на вал и участвует в зацеплении с другим зубчатым колесом.
Затвор чугунный Ду 65 Ру 16 устанавливается на трубопроводную арматуру в качестве запирающего механизма.
Затвор чугунный Ду 80 Ру 16 устанавливается на трубопроводную арматуру в качестве запирающего механизма.
Затвор чугунный Ду 150 Ру 16 устанавливается на трубопроводную арматуру в качестве запирающего механизма.













